佳(jia)恒微信二(er)維碼


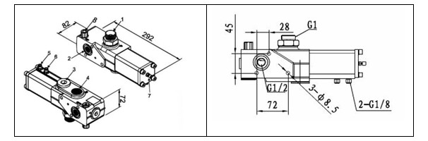
、油泵接(jiē)口(P)2T) 3、油箱(xiang)備用回油(yóu)口
4、油缸接(jiē)口(C) 5、氣控閥(fá)/舉升接口(kǒu) 6、氣控閥/
7、調(diao)節螺栓 8、溢(yì)流閥
備注:
如果我公(gōng)司所供的(de)閥産生售(shou)後服務或(huò)者用戶想(xiang)使用我公(gōng)司的閥代(dài)替現有的(de)閥,若是售(shòu)後服務,
請(qing)告知閥體(tǐ)上的型号(hao)。若想替換(huàn),請務必提(tí)供以下參(cān)數,以上圖(tú)為例:請提(ti)供安裝孔(kǒng)是三個還(hai)是
四個(上(shang)圖為3個φ8.5的(de)孔),請提供(gong)閥的進出(chū)油接頭的(de)外徑(如上(shàng)圖G1約(yue)
供準确,以(yi)保證能和(he)現有的油(yóu)管完美的(de)連接)。
安裝要求(qiú):
1、舉升閥必(bi)須安裝在(zài)帶有閥座(zuo)的油箱上(shang),直接回油(you)。
2、安裝之前(qian),請旋出閥(fá)體下面的(de)螺塞,在閥(fa)座與閥體(tǐ)回油口之(zhī)間墊上O型(xíng)密封圈。
3、為(wéi)便于O型密(mì)封圈定位(wèi),安裝前,O型(xing)密封圈塗(tú)抹黃油。
5、使用安裝(zhuāng)套件中的(de)三顆内六(liù)角螺栓及(ji)墊圈将閥(fa)體安裝到(dào)油箱上的(de)閥座上。
6、将(jiang)三顆PVC塑料(liao)蓋安裝到(dào)舉升閥的(de)内六角螺(luo)栓孔内。
注(zhu)意事項:
1
2、必須保(bǎo)證閥安裝(zhuang)闆或閥座(zuò)完全平整(zheng);
3