佳(jiā)恒微信二維碼(ma)
前置(zhi)頂液壓油缸(帶(dài)外套筒) TG210系(xì)列(公路重載系(xì)列)
液壓缸(gang)三大優勢:
Ø 更長的使用壽(shou)命
通過優(yōu)化結構設計和(hé)減少缸徑,增加(jia)限位緩沖設計(jì)㊙️,降低系✨統壓力(lì)波動和壓力沖(chòng)擊,延長舉升液(yè)壓系統各零部(bù)件使用壽命!
Ø 更強的穩定(dìng)性
佳恒公(gong)路重載系列油(you)缸進行穩定性(xing)優化設計,提高(gāo)長箱體舉升過(guo)高時穩定性,降(jiang)低側翻風險!
Ø 更大的舉升(sheng)力
佳恒公(gong)路重載系列油(you)缸較其他同系(xì)列産品舉升力(li)提升15%~20%。更大(dà)的舉升力,更多(duō)裝載帶來更多(duo)收益!更輕的自(zi)♉重,更大的舉升(sheng)力,更顯輕盈!
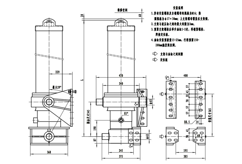
外形安裝尺(chǐ)寸:






